
佛山市威利特爾光電科技有限公司,是中國紫外線殺菌燈行業最具有研發和生產優勢的企業。公司擁有多名業內資深研發技術人員,先進的紫外線燈生產線十余條。通過先進的加工工藝、規范的管理模式和嚴格的過程控制,力求每支產品都能達到客戶的需求。公司產品形成了冷陰極、直管、H形管、U形管、大功率汞齊燈、潛水殺菌燈、電子鎮流器七大系列百余種品種,產品暢銷國內外,覆蓋水處理、空氣凈化、食品飲料、醫藥化妝品、水族養殖、小家電、廢氣處理等眾多領域,滿足各行業殺菌環保等工藝要求。并且可為客戶定制各類紫外線殺菌燈、高濃度臭氧燈、以及相關電子鎮流器,幫客戶拓展更廣應用。我們威利特爾光電科技有限公司為了人們生活健康、環境更美好,將不懈努力。與時俱進,秉承只有創造才是真正的享受,只有拼搏才是真正的生活理念來回報社會。
研發生產經驗
合作客戶
產品選擇
年產能
紫外線殺菌燈檢驗報告
專業檢驗機構分析檢測/產品質量有保障
紫外線殺菌原理
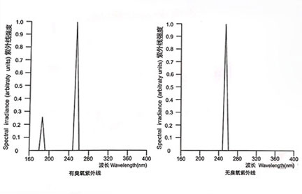
紫外線殺菌燈和日光燈發光原理一樣,燈管內的汞原子被激發產生汞的特征譜線,低壓汞蒸氣主要產生254nm和185nm紫外線,殺菌燈燈管利用透紫玻璃或石英玻璃制成,使紫外線穿過燈管透射出來,185nm波長紫外線和空氣作用可產生有強氧化作用的臭氧,可有效地殺滅細菌,并且紫外線可集中很高的強度,在短時間內殺滅細菌和病毒。


臭氧
威利特爾每款型號的紫外線燈都可按照客戶要求制造有臭氧和無臭氧兩個版本
無臭氧型燈:主要輻射253.7nm紫外線,主要用于殺菌消毒。
有臭氧型號:主要輻射253.7nm、185nm紫外線。除了可以消毒外,185nm紫外線通過電離空氣產生臭氧。臭氧是強氧化劑,有殺菌和除味的作用。
可以分解有機物,有效去除空氣中的甲醛含量,360度殺滅各種細菌,凈化空氣。
新聞資訊
關注威利特爾了解更多企業動態
22
2022-02
09
2022-02
09
2022-02
09
2022-02
09
2022-02
09
2022-02
09
2022-02
|
|